Seite 1 von 1
Zu was brauchts diesen Stift ....
Verfasst: So 20. Jun 2021, 15:58
von martin s aus b
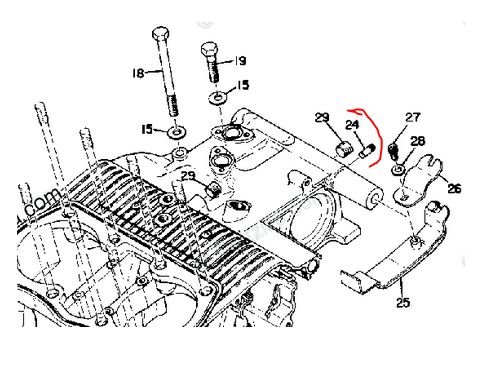
... hat mich Peter per mail gefragt. Nr. 24, laut Ersatzteilliste CONNECTOR, SCTN PPE | PLUGGED - was auch immer das bedeuten mag.

- Stift 1.JPG (53.67 KiB) 14025 mal betrachtet

- Stift 2.JPG (90.19 KiB) 14025 mal betrachtet
Ich hätt auf den Masseanschluss der Batterie getippt. aber bei mir ist da gar nichts angeschlossen. Wer weiss was?
Martin
Re: Zu wurde dieses Stift ....
Verfasst: So 20. Jun 2021, 23:34
von Volker
Meiner Meinung nach sollte da ursprünglich mal eine Motorentlüftung dran. Ich kann mich aber auch irren. Ich habe aber auf jeden Fall noch ein paar Tüten dieser Dinger als Ersatz.
Volker
Re: Zu was brauchts diesen Stift ....
Verfasst: So 27. Jun 2021, 18:01
von scholli
Hallo zusammen,
noch etwas Senf von mir: Der kleine Wurmfortsatz hat eindeutig zwei umlaufende Wülste zur Arretierung eines aufsteckbaren Schlauches. Für eine KG-Entlüftung ist er zwar viel zu klein, aber als Rücklauf für von der Entlüftung mitgenommenes Öl könnte er gedient haben. Das würde zu den ersten Modellen passen, die noch die "umweltfreundliche" KG-Entlüftung in das Luftfiltergehäuse besaßen, mit der Yamaha so geworben hatte.
Auf dem Foto vom Schnittmodell ist der Ansatz dieses Schlauches unten am Luftfiltergehäuse zu sehen.

- Schnittmodell_Motor_TX.jpg (216.7 KiB) 13975 mal betrachtet
Gruß Stefan
Re: Zu was brauchts diesen Stift ....
Verfasst: Mo 28. Jun 2021, 11:27
von pewe
Hallo Stefan,
interessante Idee.
Dazu müsste der kleine Dorn hohlgebohrt sein und dahinter müsste Unterdruck oder zumindest kein Überdruck herrschen, sonst drückt es das Öl ja in Gegenrichtung.
Der Teilezeichnung nach müsste man das Teil ja ausbauen können.
Vielleicht kann Martin an seinem Reservemotor das mal probieren...
Gruß
Peter
Re: Zu was brauchts diesen Stift ....
Verfasst: Mo 28. Jun 2021, 13:16
von scholli
Hallo Peter,
ja, ich vermute, er war hohlgebohrt, solange die KG-Entlüftung in das entsprechende Luftfiltergehäuse führte (und bisher habe ich gedacht, er wäre einfach mit angegossen und gar kein extra Teil). Überdruck wird im Kurbelgehäuse nicht entstehen (im Gegenteil), weil das Flatterventil dafür sorgt, dass keine Luft zurückgesaugt wird, wenn die Kolben aufwärts laufen und sich so das KG-Volumen vergrößert. Bei der Laverda 750 ist am Stutzen der KG-Entlüftung ein großes Kugelventil einbebaut, das dieselbe Aufgabe hat. Auch hier geht der Entlüftungsschlauch ins Luftfiltergehäuse, und das (bei GT und ab SF1) hat am tiefsten Punkt auch einen kleinen Schlauchanschluss, dessen Schlauch allerdings sorglos ins Freie führt.
Wenn du jetzt so eine alte Parts List hast wie im Thread zum Luftfilterkasten abgebildet, dann müsste dort auch irgendwo der Schlauch zu finden sein. Mein Teilekatalog ist neuer und zeigt nur den neueren Luftfilterkasten.
LG Stefan
Re: Zu was brauchts diesen Stift ....
Verfasst: Fr 2. Jul 2021, 20:03
von scholli
Hallo zusammen,
so. Ich habe heute ein altes Motorgehäuse hervorgekramt und nachgesehen. Der "Stutzen", so nenne ich den Dorn jetzt mal, mündet in einen kleinen Schacht, der auf Höhe der Gehäusenaht oben/unten eine Ausflussöffnung ins Kurbelgehäuse hat. In der unteren Gehäusehälfte endet der Schacht mit einer Art Sammelsack, ggf. für Dreck und Wasser, der ohne Abfluss ist. Das dort eingelaufene Öl kann über die Gehäusekante durch die wohlgeformte Aussparung in der oberen Gehäusehälfte ins Kurbelgehäuse fließen. Es gibt keine Verbindung zum Ölfiltergehäuse.
Der Aufbau legt m. E. nahe, dass an den Stutzen tatsächlich der kleine Schlauch vom Ur-Luftfilterkasten mit KG-Entlüftung angeschlossen war.
Hier 3 miserable Fotos (mit meinem Handy-Youngtimer) von der oberen Gehäusehälfte, die auch den Stutzen trägt. Die entscheidenden Details sind wohl dennoch erkennbar.
Schöne Grüße -
Stefan
Re: Zu was brauchts diesen Stift ....
Verfasst: Sa 3. Jul 2021, 12:05
von pewe
Toll, danke Stefan!
Das führt aber zur nächsten Frage: Ist der Stift eingeschraubt und hohl sodass nur noch das äußere Ende durchgebohrt werden müsste? Oder ist es ein Blindstopfen?
Gruß
Peter
Re: Zu was brauchts diesen Stift ....
Verfasst: So 4. Jul 2021, 00:03
von scholli
Hallo Peter,
das müsste eigentlich Volker beantworten können. Er schreibt weiter oben, dass er noch ein paar Tüten mit solchen Stutzen (oder Stiften) herumliegen hat.
Ich habe versucht, das Teil zu ziehen. Bisher dachte ich, es sei ein Anguss am Gehäuse. Jedenfalls habe ich Sorge, es zu vermurksen. Ich bräuchte dafür ein Werkzeug wie den Löwenzahn- und Unkrautzieher von Fiskars - der würde es bestimmt schaffen
Beste Grüße -
Stefan