Seite 1 von 1
oelfilteradapter BMW
Verfasst: Fr 2. Apr 2021, 23:13
von schraubix
Hallo, ist ja sehr ruhig hier...
Ich versuchs nochmal:
Hat noch jemand einen Oelfilteradapter, für die BMW Filter, zu verkaufen?
Wäre froh wenn da noch irgendwo was am Lager liegen würde.
Danke und Gruss
schraubix
Re: oelfilteradapter BMW
Verfasst: So 4. Apr 2021, 00:31
von Volker
Hallo Schraubix!
In unseren Internetseiten findest du mehrfach einen Hinweis, dass sich Mitglieder mit Ersatzteilanfragen an mich wenden sollen. Da bekommst du natürlich als Mitglied sofort eine Antwort.
Umbausätze für BMW-Filter hat der Sepp Maurer noch.
Meine Umbausätze waren für einen Honda-Filter. Ich habe aber keine mehr.
Volker Löcken
Re: oelfilteradapter BMW
Verfasst: Mo 5. Apr 2021, 22:17
von schraubix
Hallo Volker
danke fürs Antworten.
Der Sepp hat geschrieben, das er demnächst wieder ein paar Adapter fabrizieren will.
Er gibt Bescheid wenn er soweit ist...
Gruss
schraubix
Re: oelfilteradapter BMW
Verfasst: Mi 7. Apr 2021, 11:33
von martin s aus b
Hallo Zusammen,
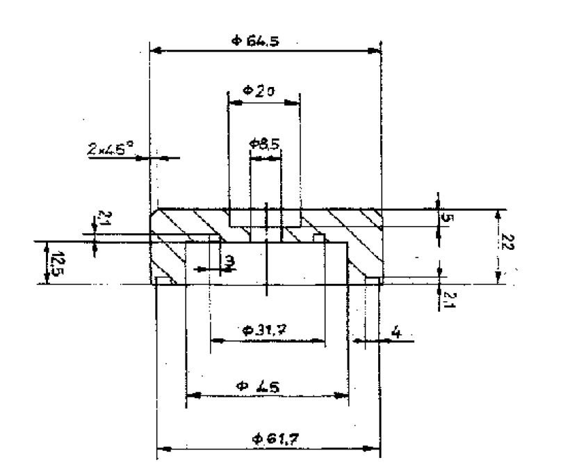
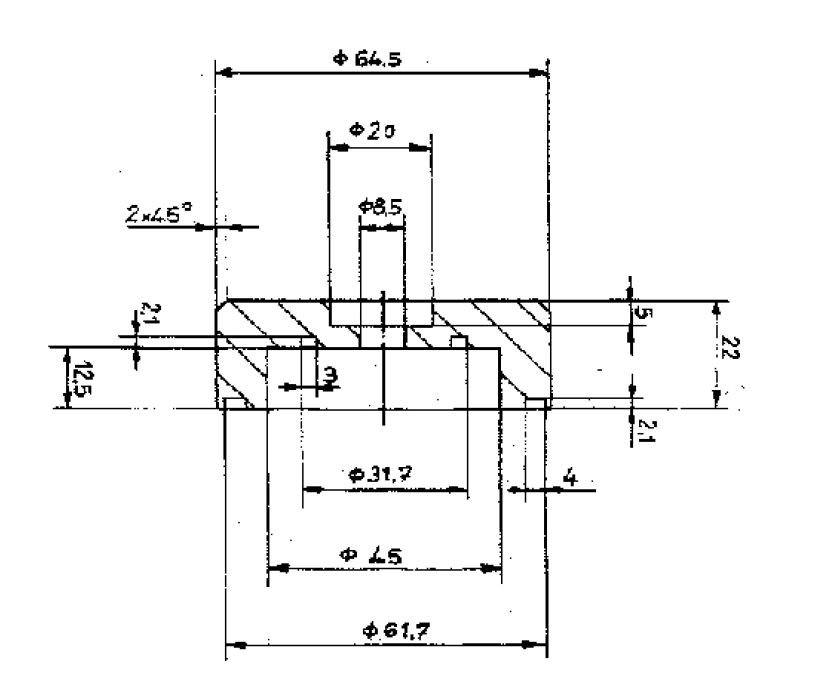
falls das jemand selber machen will: ich weiß nicht mehr von wem ich die Zeichnung habe aber mit diesem Deckel ....

- Deckel.JPG (56.26 KiB) 46616 mal betrachtet
... einem einfachen Drehteil aus Alu, plus zwei NBR - O-Ringen, einmal 30 x 2.5, einmal 58 x 3 (das erste Maß ist gemäß Norm jeweils der
Innendurchmesser) und einer Kupfer-Dichtscheibe unter der zentralen M8-Schraube hab ich den BMW-Filter ...

- BMW-filter.JPG (28.34 KiB) 46616 mal betrachtet
... verbaut.
Gruß
Martin
______________________
Auf eine Rückfrage hin ergänz ich das noch:
Ich hab beim Drehen des Deckels den Rand wie unten skizziert ein wenig runtergezogen. Deckel und Filter lassen sich ohne Demontage von Ritzel und/oder Kette ausbauen.

- Deckel.JPG (61.2 KiB) 46592 mal betrachtet
Re: oelfilteradapter BMW
Verfasst: Sa 10. Apr 2021, 21:29
von Hanspi
Hallo Martin
.. gute Idee das mit dem abschrägen! Werde das mal bei der nächsten Serie mit meinem Mechaniker anschauen.
Wir haben neulich diesen Adabpter nach Zeichnung nachgebaut und hat funktioniert, aber vorsicht: Bei den Filtereinsätzen gibt es zwei fast identische Modelle die sich nur um ca. 1cm in der Länge unterscheiden.
Bei den Mahle Filterelementen MUSS der OX37D eingesetzt werden oder anders gesagt: Das Filterelement für BMW Modelle OHNE Ölkühler!
Das Filterelement OX36D ist hingegen für die BMW's MIT Ölkühler und passt mit dem hier beschriebenen Adapter nicht!
Gruss Hanspi
PS: ... wer braucht denn noch solche Adapter (und was dürfen sie kosten inkl. passende O-Ringe, Befestigungsschraube und Filterelement)? Werde bei Interesse mal schauen was da an Materialkosten zusammen kommt...
Re: oelfilteradapter BMW
Verfasst: So 11. Apr 2021, 18:14
von Hermann
Hallo zusammen, da will ich mich gleich mal vorstellen, bin nämlich neu hier und habe gleich Bedarf an dem Ölfilteradapter.
Mein Name: Hermann und seit 3 Wochen Besitzer einer schönen originalen TX 750 von 1973.
Zwar hat mein Vorbesitzer dafür gesorgt, daß noch ein "neuer" Originalfilter eingebaut wurde, dem ich aber nicht traue
und mit dem ich keinen Meter fahren werde.
Ansonsten bin ich aber begeistert von meiner Neuen, Motortechnisch scheint es ein AT Motor aus 73 zu sein mit Motor Nr. 341-
sowie Ölkühler und Ölwannenring. Achja, und eine Sachse Zündung habe ich mir auch gleich gegönnt, den Tip hab ich auch aus dem Forum!
Falls ich `ne wichtige Modifikation vergessen habe, bin ich dankbar, von euch aufgeklärt zu werden. Würde ja schon gern bald losfahren können! Grüße Hermann
Re: oelfilteradapter BMW
Verfasst: Mi 14. Apr 2021, 21:09
von Hanspi
Sei gegrüsst und herzlich willkommen Hermann!
…hier im Club der Biker, die es vorziehen ein Motorrad zu fahren das sie immer wieder ‘leiden’ und beschleunigt graue Haare wachsen lässt.
Sag mal: Wieso traust Du denn dem originalen Ölfilter nicht? Ich denke, die meisten TX750 Besitzer fahren (noch) die originalen Ölfilter. Ich auf jeden Fall auch schon seit rund 10 Jahren an zwei Motorräder und diesbezüglich immer ohne Probleme. Trotzdem sind die Tage der originalen Ölfilter natürlich gezählt, mal abgesehen vom horrenden Preis den man dafür mittlerweile bezahlen muss. So gesehen ist es sicher vernünftig sich eine Alternative für den Ölfilter zu überlegen.
Ein Motor mit der Bezeichnung 341- bedeutet, dass der Motor mal ausgetauscht worden ist. Der originale Motor Deiner TX750 hatte nämlich dieselbe Nummer eingeschlagen wie die Rahmennummer, also zB. 341 - 501 234 oder so ähnlich. Ihn hat das selbes Schicksal ereilt wie so viele TX750-Motoren aus jener Zeit. Er möge in Frieden ruhen…
Nachdem es serienweise Motorschäden gegeben hatte, hat Yamaha Ersatzmotoren ausgeliefert und angesichts der unüberschaubaren Menge gar keine Nummern mehr eingeschlagen, resp. hat dies den lokalen Yamaha-Händler überlassen, die es dann aber oft unterlassen haben.
Ich gehe daher davon aus, dass in Deinem Motor auch eine weitere wichtige Neuerung bereits implementiert wurde, nämlich: Die Kettenspannung der Balancerketten…?
Den elektronischen Zünder von Sachse hast ja schon eingebaut: sehr gut!
Was (unter anderem) noch zu überlegungswert wäre, ist der Anlasserfreilauf von Argo. Wenn es Dich interessiert worum es geht und vor allem wie man ihn einbaut, kannst Du unter anderem auch das Video hier angucken:
http://kultmoto.ch/video/tx750/tx750_Anlasser.htm
Na dann viel Spass mit der TX in der kommenden Saison
Hanspi
Re: oelfilteradapter BMW
Verfasst: Fr 16. Apr 2021, 08:50
von Hermann
Hallo Hanspi, danke für die nette Begrüßung hier bei euch, weil ich nicht genau erkennen kann,
wann der Filter letztmalig gewechselt wurde, will ich auf der sicheren Seite sein. Meine TX hat die letzten 30 Jahre
im Keller verbracht und ist danach erst ca. 200 km gelaufen. Also will ich ihr mit nem neuen Filter was Gutes tun!
Ein Produktionsdatum kann ich auf dem originalen Filter auch nicht erkennen, gabs sowas?
Gruß
Hermann
Re: oelfilteradapter BMW
Verfasst: Fr 16. Apr 2021, 20:16
von Hanspi
Hallo Hermann
Jaja das kenne iche...
Ich habe mir auch eben eine XJR1300 gekauft von der ich keinen blassen Schimmer habe wann der letzte Service gemacht wurde. Daher werde ich da auch alles Verbrauchsmaterial wechseln obwohl es womöglich erst vor kurzer Zeit schon gewechselt wurde.. Aber so ist da halt nun mal...
Ein Angebot für den Ölfilterumbau habe ich soeben bei den Angeboten gepostet:
https://www.tx750.de/forum/viewtopic.php?f=13&t=5590
Gruss Hanspi
Re: oelfilteradapter BMW
Verfasst: Sa 17. Apr 2021, 15:07
von fredi
Maurer Sepp hat soeben 20 Stück beauftragt und wird in Kürze (Mai 2021) wieder lieferfähig sein.