Zyl.kopfdichtungen

Antworten
schraubix
Beiträge: 157
Registriert: So 27. Nov 2011, 22:54

Zyl.kopfdichtungen

Beitrag von schraubix »

Hi
bekanntlich sind die nachgefertigten Dichtungen aus dem Handel nicht von gleicher Qualität wie die originalen von YAMAHA.
Darum meine Frage: Hat die IG noch original Dichtungen oder sonst jemand aus dem Forum?
Und zum Thema Kopfdichtungen hört man auch immer wieder die Empfehlung man solle auf Kupferdichtungen zu wechseln
Hat jemand Erfahrung damit?
Grüsse
schraubix
martin s aus b
Beiträge: 265
Registriert: Mo 21. Feb 2011, 19:31
Wohnort: Besigheim

Re: Zyl.kopfdichtungen

Beitrag von martin s aus b »

Hallo Uli,

ich hab die TX mit 48.000 km gekauft. Bei Stand 56.270 hab ich den Motor raus und Kolbenringe und Ventilschaftdichtungen erneuert. Bei der Gelegenheit hab ich statt einer OEM-Dichtung eine 1,5 mm starke Kupferkopfdichtung verbaut, die ich mir aus einem Cu-Flaschnerblech durch Wasserstrahlschneiden hab anfertigen lassen. Mit dem Campinggaz-Brenner geglüht und dann verbaut und seitdem nicht mehr angeschaut. Die Kopfschrauben hab ich nicht nachgezogen, dazu hätt ja der Motor nochmal rausmüssen. Bis jetzt, aktueller Kilometerstand 80.200, ist sie dicht.

Auch meine beiden Kawasakis laufen mit einer Kupferkopfdichtung, eine davon gut 100.000 km. Bei der hatte ich wegen Kolbenringen schon mal den Kopf runter. Die Cu-Dichtung wird bei einem Ausbau neu geglüht und wieder verbaut.

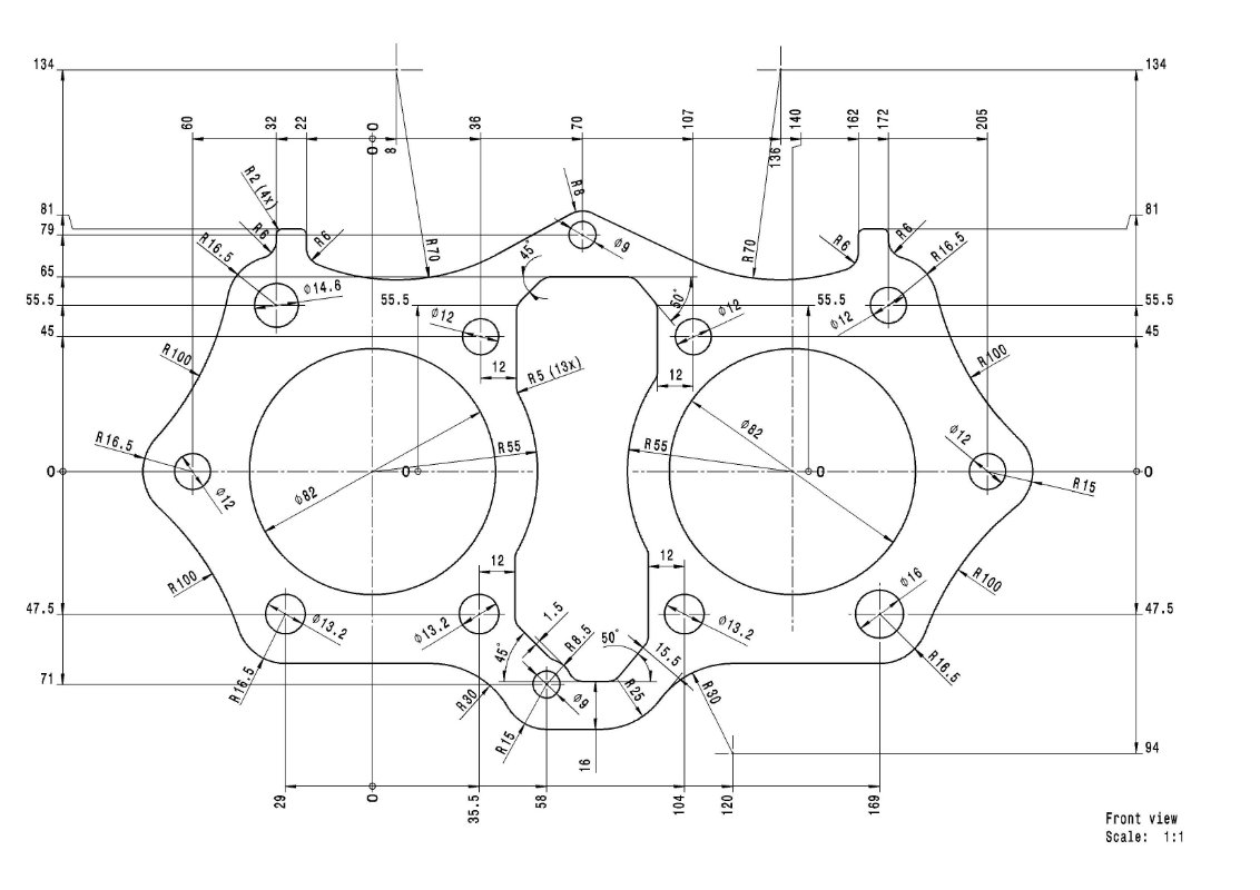
Die Geometrie der TX-Dichtung ...

TX-Kopfdichtung.jpg
TX-Kopfdichtung.jpg (110.68 KiB) 995 mal betrachtet

... hat seinerzeit unser Schüler-on-the-job Praktikant an einer Originaldichtung gemessen und damit per CAD eine Zeichnung erstellt. Bei Bedarf kann ich Dir fürs Wasserstrahlen oder Drahterodieren einen dxf-file schicken.

Gruß

Martin
schraubix
Beiträge: 157
Registriert: So 27. Nov 2011, 22:54

Re: Zyl.kopfdichtungen

Beitrag von schraubix »

Hallo Martin
vielen Dank für die Rückmeldung und die Zeichnung. Ich werde diesmal auch eine Kupferdichtung verbauen.
Hab ich das richtig verstanden mit dem Flaschnerblech. Ist das Kupfer gemeint das auf dem Dach verbaut wird. Das Wort Flaschner hab ich noch nie gehört. Hier nennen sie sich Dachspengler.
Das dfx-file wäre warscheinlich auch sehr hilfreich, wenn ich das schneiden lasse.
Kannst du mir das senden?
Liebe Grüsse und gib Bescheid wenn du was brauchst für die TX.
schraubix/ueli
martin s aus b
Beiträge: 265
Registriert: Mo 21. Feb 2011, 19:31
Wohnort: Besigheim

Re: Zyl.kopfdichtungen

Beitrag von martin s aus b »

Hallo Ueli,

das hast Du schon richtig verstanden. Ich hab mir Kupferblech entsprechend der Dicke der Originaldichtungen, in Stärke 1,0 für die Kawasakis und mit 1,5 mm für die TX, beim örtlichen Spengler, das ist, glaub ich, die korrekte Berufsbezeichnung, gekauft und aus dem die Dichtungen schneiden lassen.

Die Materialbeschaffung in Stärke 1 bzw 1,5 mm ist in der Zwischenzeit, zumindest hier bei uns, ein kleines Problem. Die Spengler arbeiten heutzutage offensichtlich alle nur noch mit 0,6 mm Blech. Und eine Cu-Tafel mit Maß 1 x 2 m wollt ich für ein paar Dichtungen nicht investieren. Deshalb hab ich jetzt bei drei alten Kawasaki-Reservemotoren, die ich grad revidiere bzw. neu aufbaue, Dichtungen mit 0,6 statt 1 mm Stärke verbaut. Ein bißchen Zusatzkompression schadet der Kawa sicher nicht.
Ginge so wahrscheinlich auch für die TX auch wenn da dann der Unterschied recht groß wäre. Wobei mein Motorenbauer, 30 Jahre Berufserfahrung, auf Befragen meinte, ich könne auch zwei 0,6 mm starke Dichtungen aufeinanderlegen.

Der dxf-file ist per mail unterwegs. Du kannst, wenn Du willst, seinen Inhalt mit ShareCAD https://sharecad.org/ am PC anschaun ohne dazu das Programm selbst zu installieren.

Weiterhin viel Spaß beim Schrauben!

Martin
schraubix
Beiträge: 157
Registriert: So 27. Nov 2011, 22:54

Re: Zyl.kopfdichtungen

Beitrag von schraubix »

Vielen Dank Martin
dann werd ich mich um 1.5mm Kupfer kümmern.
Gruss ueli
martin s aus b
Beiträge: 265
Registriert: Mo 21. Feb 2011, 19:31
Wohnort: Besigheim

Re: Zyl.kopfdichtungen

Beitrag von martin s aus b »

Eine Info ist mir jetzt nachträglich noch eingefallen:

Die drei Cu-Dichtungen, 2 x Kawa, 1 x TX, die ich fahre hab ich der TX, wenn ich mich richtig erinnere, blank verbaut, bei den Kawasaki-Motoren hab ich rund um den Steuerkettenschacht oben und unten einen dünnen Film nicht aushärtender Gehäusedichtmasse aufgetragen. Die selbe Dichtmasse verwend ich für alle Papierdichtungen und für die Gehäusetrennfuge.

Für einen Ersatzmotor für die Kawasaki - der jetzige läuft aufgebohrt schon über 110.000 km - hab ich mir beim Motorenbauer einen Aufbohrsatz anfertigen lassen und dabei gelernt, daß der Kupferdichtungen mit einer Beschichtung 'Gascacinch Gasker sealer' verbaut.

gascacinch.jpg
gascacinch.jpg (17.71 KiB) 924 mal betrachtet

Damit hab ich die Dichtungen, die ich grad beim Auffrischen alter Motoren verbaue, jetzt auch beschichtet. Ob mans braucht, sicher ist sicher ...
Pit
Beiträge: 44
Registriert: Di 14. Aug 2018, 14:29
Wohnort: Villingen-Schwenningen

Re: Zyl.kopfdichtungen

Beitrag von Pit »

Hallo Martin, Hallo Ueli,
es wäre doch zu überlegen, ob für die Kupferdichtung, auf Grundlage der DWG-Datei und der Erfahrungen von Martin, Richard hat auch eine verbaut, eine Kleinserie aufgelegt wird. Ich kenne unseren Fundus beim Volker nicht. Ich hätte auch Interesse an so einer Dichtung. Was sagen die anderen Forum-Mitglieder dazu?
Viele Grüße aus Villingen
Pit Tünte
Mitglied IG TX 750
martin s aus b
Beiträge: 265
Registriert: Mo 21. Feb 2011, 19:31
Wohnort: Besigheim

Re: Zyl.kopfdichtungen

Beitrag von martin s aus b »

Hallo Pit,

das ist aus meiner Sicht grundsätzlich eine vernünftige Idee. Ich halt die Kupferdichtung, Wärmeübergang, Wiederverwendbarkeit, Entfall des Nachziehens, ... bei einer Motorrevision für die bessere Lösung. Und Yamaha scheint ja mit der serienmäßigen Kopfdichtung nicht wirklich glücklich geworden zu sein und hat mehrmals geändert. Wäre interessant, wie der Richard das sieht.

Ich selbst brauch keine, habe noch zwei liegen, habe aber für die Z 750 Twin - IG schon mal so eine Sammelbeschaffung über knapp 30 Dichtungen gemacht. Die TX-Dichtung hat ein Rechteckmaß von 174 x 296,5 mm. Wenn ich das richtig sehe könnte man aus einer 2 x 1 m - Blechtafel um die 30, bei intelligenter Anordnung wahrscheinlich auch knapp 40 Dichtungen schneiden. Dazu wär dann auch die Beschaffung des Materials in Form einer ganzen Tafel in Sollstärke kein Problem.

Fragt doch mal Volker als den Herrn über das Teiledepot wie er das sieht.

Gruß

Martin
Volker
Beiträge: 168
Registriert: Fr 8. Jul 2011, 03:56

Re: Zyl.kopfdichtungen

Beitrag von Volker »

Hallo zusammen!

Grundsätzlich ist das keine schlechte Idee.
Allerdings muss ich sagen, dass ich noch nie die Kopfdichtung durch hatte. Ölereien kamen immer woanders her.
Außerdem sind Kopfdichtungen von cruzinimage nicht so schlecht, und originale von Yamaha habe ich, glaube ich, auch noch.

Volker
Antworten